/ We will do attentively..   Collection / Supposes / E-mail / Site map
Warm congratulation NINGBO CIE INDUSTRY AND TRADE CO.,LTD website clear~
 Product List

Auto Bearings


Front Wheel Hub Bearings
  Rear Wheel Hub Bearings
 

Tensioner&Idler Bearings

 

Clutch Release Bearings

 

Wheel Hub Bearing(One Generation)

 

Wheel Hub Bearing( second generation)

 

Wheel Hub Bearing ABS System

 

Water Pump Bearing

 

Automotive Tapered Roller Bearings

 

Steering Wheel Bearings

 

Universal Joint Kits

    Automobile Center Support Bearing
  Steering Gear Box Bearings
  Special Non Standard Auto Bearing
  Automobile Alternator Bearing
  Automotive Air Condition Bearings

Industry Bearing


Deep Groove Ball Bearings
  Angular Contact Ball Bearing
 

Cylindrical Roller Bearings

 

Self-Aligning Ball Bearing

 

Spherical Roller Bearings

 

Tapered Roller Bearings

 

Bearing Units

 

Thrust Bearings

 

Needle Roller Bearings

 

Linear Bearings

 

Special Non Standard bearings

Power Transmission Parts


Ball leading Screw

 

Linear Motion Shaft

  Linear Guide Rail and Block Assemblies
  Precise Crossing Guide Rail

Auto Steering Gears


Worm and level Steering Gears

 

Rack and Pinion Type Steering Gears

 

Recirculating Ball Type Steering Gears


  Products

Recirculating ballnut and worm assemblies steering gears
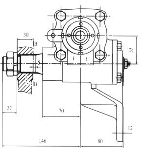
DDB80A

DDB-80A Recirculating Ballnut and worm assembly Power Steering Gears Applicated  in  Isuzu Pickup or Light duty truck and Middle Bus

steering gears

The Spline size of input shaft and outlet shaft, Location of oil inlet and outlet could be customized
 
Technical Parameter

NO

FRONT SHAFT LOAD

TOTOL CIRCLE

Drive Ratio

Max Oil Pressure

Flow of Oil

Outlet flow

Arm Angle

Working oil pressure

DDB80A

1-2t

4

15.7

12MPa

8-12L/min

1500N.m

±46o

46#hydraulic oil






Recirculating Ball Type Steering Gears
Recirculating ballnut and worm assemblies steering gears
Steering nuts and worm shaft assembly
Sector pitman shaft
Pitman arm series
Steering linkage
Steering joint
Steering bushing, seals and parts

Other related category: Auto Bearings,  Industry Bearing,  Power Transmission Parts
Relative Product : Worm And Level Steering Gears , Rack And Pinion Type Steering Gears , Recirculating Ball Type Steering Gears

Workshop | Products | Contact  
Copyright © NINGBO CIE INDUSTRY AND TRADE CO.,LTD. All Rights Reserved. Design By HiSupplier Online Inc.